Photoelectric Sensor SMA30SELQDC
Protection classIP67DesignTubeElectrical connectionConnectorConnector type7/8″Housing materialMetalHousing qualityStainless steelAmbient temperature min. (°C)-40Ambient temperature max. (°C)70Max. range (mm)150000FunctionOpposed mode sensorLight typeIRConstruction sizeM30 x 1.5.....
Safety Light Curtain SLPCR25-1530
Protection classIP65Switching element function2 x NC contactOutput function2 × PNPDesignRectangularElectrical connectionCable entry for flat connectorHousing materialMetalHousing qualityALAmbient temperature min. (°C)0Ambient temperature max. (°C)55Max. range (mm)7000FunctionLight screenScan field (...
Photoelectric Sensor SMU315FPQDP
Protection classIP67Switching element functionNO/NCOutput functionRelay outputCable length (m)0.15DesignRectangularElectrical connectionCable with connectorConnector type1/2″Housing materialPlasticHousing qualityPBTAmbient temperature min. (°C)-20Ambient temperature max. (°C)55FunctionFiber optic se...
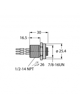
FOUNDATION Fieldbus Receptacle RKFV49-0.3M/14.5/C1117
Network protocolFOUNDATION fieldbusApplicationDataConnector AFemale, 7/8″-16 UN, StraightNumber of pins4Receptacle housing material AStainless SteelScrew-in thread1/2″-14 NPTVoltage (V)600Current (A)9Ambient temperature min. (°C)-40Ambient temperature max. (°C)105Core cross-section (mm²)0.8Connectio...
excom I/O System EG-VA655526/111-0200/2GD70
Protection classIP66ApprovalsATEXHousing materialStainless steelHousing quality1.4404 (AISI 316L)Construction size550 x 650 x 260 mmModule rackMT16-2GInput voltage24 VDCInstallation areazone 1.....
Inductive Sensor NI5-M08-VP6X 7M
Protection classIP67Switching element functionComplementary contactOutput functionPNPCable length (m)7Cable colorGrayDesignThreaded barrelElectrical connectionCableHousing materialMetalHousing qualityCuZnAmbient temperature min. (°C)-25Ambient temperature max. (°C)70Mounting conditionsNon-flushOpera...
Safety Light Curtain SLPR25-1390
Protection classIP65Switching element function2 x NC contactOutput function2 × PNPDesignRectangularElectrical connectionCable entry for flat connectorHousing materialMetalHousing qualityALAmbient temperature min. (°C)0Ambient temperature max. (°C)55Max. range (mm)7000FunctionLight screenScan field (...
LED Linear Light WLS28-2XW990XPBQ
Protection classIP50DesignRectangularElectrical connectionConnectorConnector typeM12 × 1Housing materialMetalHousing qualityALAmbient temperature min. (°C)-40Ambient temperature max. (°C)70Beam anglewide beam 40-80°FunctionLinear lightLight typeWhiteConstruction size1062 x 28 x 21 mmNumber of colors...
Passive Junction Box JTBS-57VM-E634
Protection classIP67ApprovalsRoHSAmbient temperature min. (°C)-30Ambient temperature max. (°C)80Connection technology signalM12.....
LED Linear Light WLS28-2CW570L25S
Protection classIP65, IP67, IP69Cable length (m)2DesignRectangularElectrical connectionCableHousing materialMetalHousing qualityALAmbient temperature min. (°C)-40Ambient temperature max. (°C)70Beam angle25°FunctionLinear lightLight typeWhiteConstruction size613.5 x 28 x 32.2 mmNumber of colors/segme...
Round connector M8 x 1 / Ø 8 mm ESGP3L
ApplicationSignalConnector AMale, Ø 8 mmNumber of pins3Receptacle housing material ABrassVoltage (V)60Current (A)4Connection modeSolder contact.....
Actuator and sensor cable BSWM19-E01-2/S90 (OBS)
Cable length (m)2DesignConnection CableConnector AMale, M16 × 0.75, AngledNumber of pins19Coupling nut/screw material ABrassVoltage (V)300Current (A)3Cable qualityTPUCable colorBlackCore cross-section (mm²)0.52Number of Conductors2.....







